0
中文
│
English
首頁
公司簡介
關於我們
公司影片
產品介紹
STABILUS自由型氮氣缸
自由型-碳鋼氮氣缸
06X15 碳鋼系列 (50N~400N)
08X18 碳鋼系列 (100N~700N)
10X22 碳鋼系列 (100N~1150N)
14X28 碳鋼系列 (300N~2500N)
20X40 碳鋼系列 (600N~5000N)
自由型-白鐵氮氣缸
06X15 白鐵系列 (50N~300N)
08X18 白鐵系列 (100N~650N)
10X22 白鐵系列 (100N~1000N)
14X28 白鐵系列 (300N~2500N)
自由型-動態阻尼氮氣缸
06X15 動態阻尼-DD1 (50N~300N)
08X19 動態阻尼-DD2 (100N~600N)
10X22 動態阻尼-DD3 (100N~850N)
自由型-安全套管氮氣缸
08X18 安全套管 (100N~650N)
10X22 安全套管 (100N~1150N)
自由型-白鐵安全套管氮氣缸
08X18 白鐵安全套管 (100N~650N)
10X22白鐵安全套管 (100N~1200N)
自由型-壓縮鎖定氮氣缸
08X22 壓縮鎖定 (100N~400N)
STABILUS定位型氮氣缸
定位型-氮氣缸
10X28 定位型 (150N~350N)
定位型-桌用氮氣缸-BOLT
10X28 定位型-BOLT氮氣缸 (200N~1200N)
定位型-氮氣缸-BOL-OBT
08X22定位型 (100N~400N)
定位型氮氣缸專用配件
STABILUS拉力型氮氣缸
06X19 拉力氮氣缸 (50N~350N)
10X28 拉力氮氣缸 (150N~1200N)
STABILUS油壓型阻尼棒
油壓阻尼棒-壓縮方向阻尼
06X15 壓縮阻尼-HD15C
08X18 壓縮阻尼-HD18C
10X24 壓縮阻尼-HD24C
油壓阻尼棒-拉伸方向阻尼
06X15 拉伸阻尼-HD15E
08X18 拉伸阻尼-HD18E
10X24 拉伸阻尼-HD24E
STABILUS辦公座椅氣壓棒
STABILUS傢俱用氮氣缸
STABILUS車輛用氮氣缸
STABILUSE工業電動撐桿
氮氣缸沖壓配件
氮氣缸用連接頭
氮氣缸專用螺栓
氮氣缸附屬零件
新品及專利發表
產品相關資訊
氮氣缸應用範圍
如何選用氮氣缸?
氮氣缸應力圖
氮氣缸壓力計算方式
氮氣缸安裝注意事事項
產品安裝實例
產品檢驗報告 / 技術資料
採購招標
新聞
首 頁
新品及專利發表
塑膠防塵套
塑膠防塵套
加入詢價車
立即詢價
商品詳情
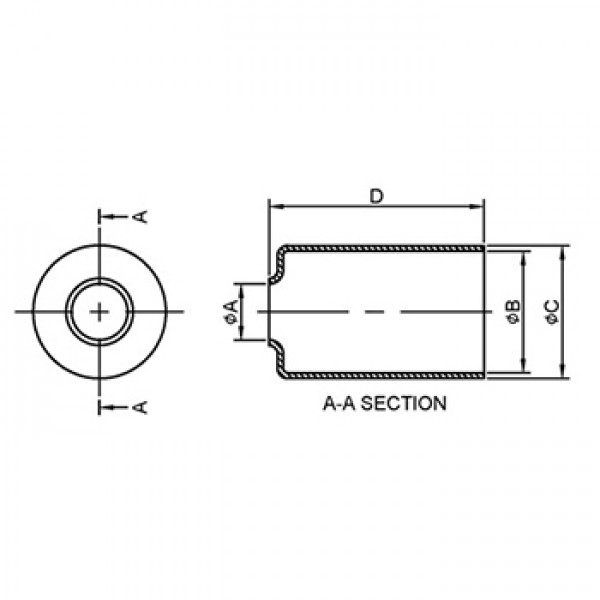
氣壓棒防塵套,HDPE材質。
規格請參考網站
塑膠防塵套
型號
øA
øB
øC
D
顏色
DC-0412
4
11.95
13.4
17
黑色
DC-0615
6
15
16.4
30
黑色
DC-0615-GARY
6
15
16.4
30
灰色
DC-0818
8
17.95
19.45
37
黑色
DC-0818-GARY
8
17.95
19.45
37
灰色
DC-1022
10
21.95
23.8
37
黑色
DC-1022-GARY
10
21.95
23.8
37
灰色
DC-1428
14
27.95
29.95
37
黑色
相關產品
More
0412氮氣缸-橡膠防塵套
More
NUT-M8X1.25
More
L330M8
More
M19系列新品
More
F1
More
M1925M8
More
A40M14
More
C1935M8
More
L325、L327(M6、M8牙)
More
D181 系列
More
LES-8050
More
氮氣缸新型防塵套
More
氮氣缸樣品箱
More
傢具用全行程等速型氣壓棒
More
長形橡膠防塵套
More
LS C40M6 & LS C40M8
More
A22
More
BKT-31
More
SW-LS031
More
SW6412X系列 (六角邊/不鏽鋼)
More
SW6411X系列 (六角邊/不鏽鋼)
More
PILLOBALL Rod Ends
More
BKT-29
More
BKT-B12
More
BKT-09D
More
BKT-09C
More
BKT-08D
More
BKT-08C
More
BKT-06D
More
BKT-06C