琥盛企業之關係企業-台灣安肯企業有限公司,於2013年1月25日已完成7組氮氣缸(0615,0818,1022,1222,1227,1228,1248)專用防塵套之模具開發及測試送樣。
本公司研發人員針對此防塵套採用單溝雙接觸面設計,使氣壓棒軸心作動時具有極佳的防塵及刮油效果,特別針對於電子設備及污穢場所使用的氣壓棒,氮氣缸更具有效防塵效果並可增加氣壓棒,氮氣缸使用壽命。
歡迎琥盛及台灣安肯廣大客戶及供應商洽詢。
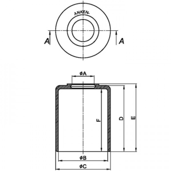
| Model No. |
φA |
φB |
φC |
D |
E |
F |
Piston Rod Dia. |
Tube Dia. |
| RB-0615-23 |
5.8 |
14.8 |
17.2 |
22.3 |
23 |
20.8 |
6 mm |
15 mm |
| RB-0818-30 |
7.8 |
17.8 |
20.2 |
29.3 |
30 |
27.8 |
8 mm |
18 mm |
| RB-1022-30 |
9.8 |
21.8 |
24.2 |
29.3 |
30 |
27.8 |
10 mm |
22 mm |
| RB-1222-30 |
12.3 |
21.8 |
24.2 |
29.3 |
30 |
27.8 |
12.5 mm |
22 mm |
| RB-1227-35 |
12.3 |
27.2 |
30.2 |
34.3 |
35 |
32.8 |
12.5 mm |
27.4 mm |
| RB-1228-35 |
12.3 |
27.8 |
30.2 |
34.3 |
35 |
32.8 |
12.5 mm |
28 mm |
| RB-1428-35 |
13.8 |
27.8 |
30.2 |
34.3 |
35 |
32.8 |
14 mm |
28 mm |