
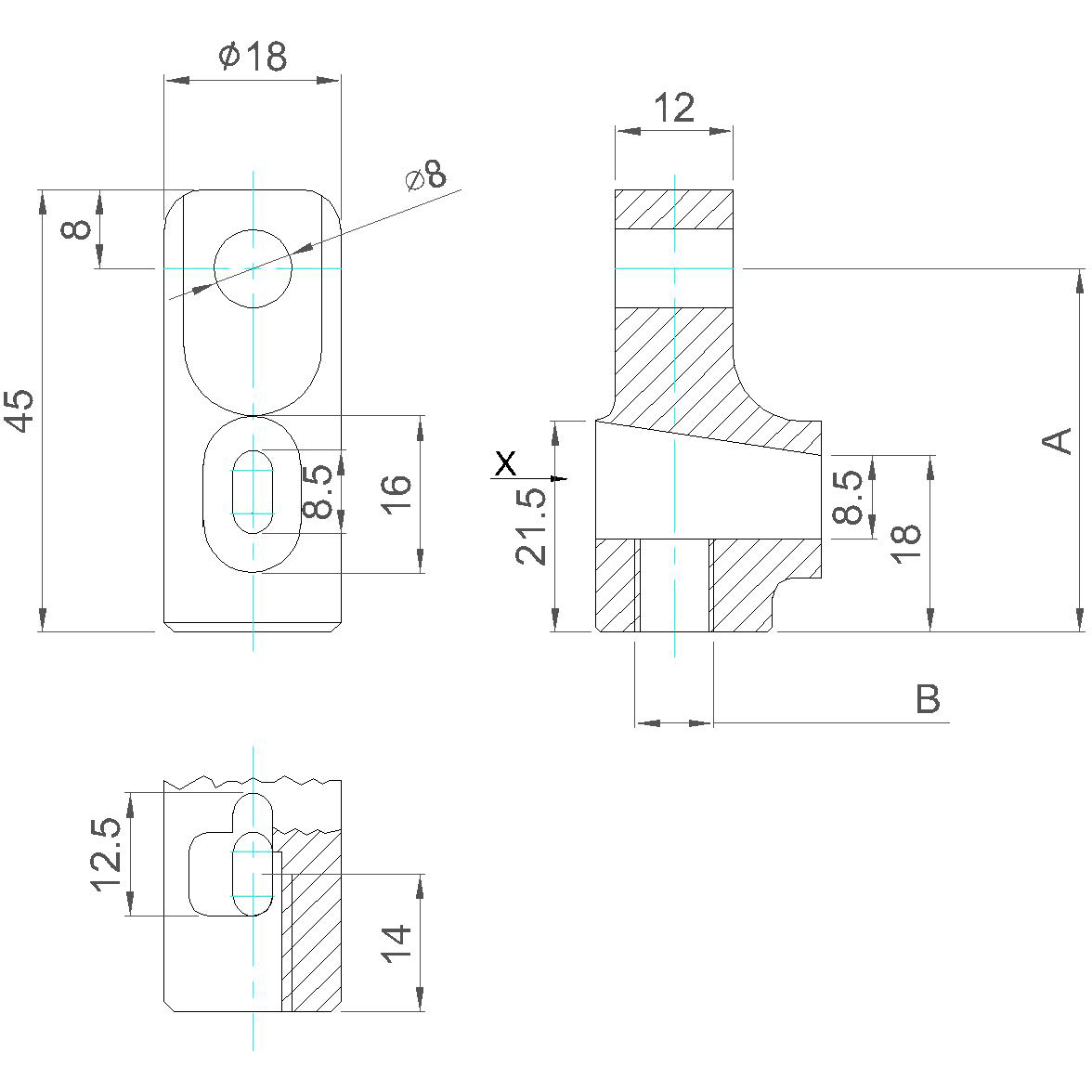
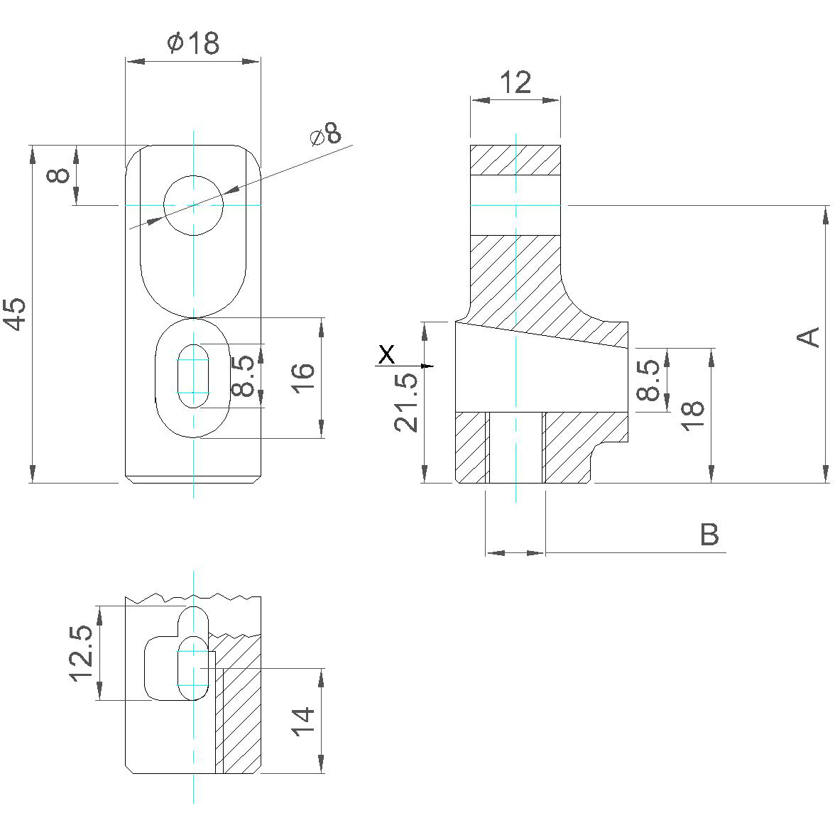
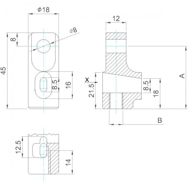
單位:mm
| 型號 |
底部至中心距離
(A) |
螺牙規格
(B)
|
孔徑 |
材質 |
| STDE-ACC-BOL-0516CC |
37 |
M8X1.0 |
Ø8 |
壓鑄合金 |
| STDE-ACC-BOL-271985 |
37 |
M10X1.0 |
Ø8 |
壓鑄合金 |
我司因應新產品定位型氮氣缸等系列產品,於2020年2月向德國STABILUS引進定位型氮氣缸專用配件,以方便客戶在選購定位型氮氣缸時,可以有更多的相關組合。
1.此接頭有兩種功能除一般啟動開關外,亦可將把手側扳動後,即可變為常態釋放型接頭,氣壓棒即成為自由伸縮狀態。
2.PN: STDE-ACC-BOL-0516CC 適用於 軸心8mm 管徑22mm 的 BOL-OBT系列氣壓棒,需要配合開關把手使用。
3.PN: STDE-ACC-BOL-271985 適用於 軸心10mm 管徑28mm 的 BOL & BOL-T 等系列氣壓棒,需要配合開關把手使用。