0
中文
│
English
首頁
公司簡介
關於我們
公司影片
產品介紹
STABILUS自由型氮氣缸
自由型-碳鋼氮氣缸
06X15 碳鋼系列 (50N~400N)
08X18 碳鋼系列 (100N~700N)
10X22 碳鋼系列 (100N~1150N)
14X28 碳鋼系列 (300N~2500N)
20X40 碳鋼系列 (600N~5000N)
自由型-白鐵氮氣缸
06X15 白鐵系列 (50N~300N)
08X18 白鐵系列 (100N~650N)
10X22 白鐵系列 (100N~1000N)
14X28 白鐵系列 (300N~2500N)
自由型-動態阻尼氮氣缸
06X15 動態阻尼-DD1 (50N~300N)
08X19 動態阻尼-DD2 (100N~600N)
10X22 動態阻尼-DD3 (100N~850N)
自由型-安全套管氮氣缸
08X18 安全套管 (100N~650N)
10X22 安全套管 (100N~1150N)
自由型-白鐵安全套管氮氣缸
08X18 白鐵安全套管 (100N~650N)
10X22白鐵安全套管 (100N~1200N)
自由型-壓縮鎖定氮氣缸
08X22 壓縮鎖定 (100N~400N)
STABILUS定位型氮氣缸
定位型-氮氣缸
10X28 定位型 (150N~350N)
定位型-桌用氮氣缸-BOLT
10X28 定位型-BOLT氮氣缸 (200N~1200N)
定位型-氮氣缸-BOL-OBT
08X22定位型 (100N~400N)
定位型氮氣缸專用配件
STABILUS拉力型氮氣缸
06X19 拉力氮氣缸 (50N~350N)
10X28 拉力氮氣缸 (150N~1200N)
STABILUS油壓型阻尼棒
油壓阻尼棒-壓縮方向阻尼
06X15 壓縮阻尼-HD15C
08X18 壓縮阻尼-HD18C
10X24 壓縮阻尼-HD24C
油壓阻尼棒-拉伸方向阻尼
06X15 拉伸阻尼-HD15E
08X18 拉伸阻尼-HD18E
10X24 拉伸阻尼-HD24E
STABILUS辦公座椅氣壓棒
STABILUS傢俱用氮氣缸
STABILUS車輛用氮氣缸
STABILUSE工業電動撐桿
氮氣缸沖壓配件
氮氣缸用連接頭
氮氣缸專用螺栓
氮氣缸附屬零件
新品及專利發表
產品相關資訊
氮氣缸應用範圍
如何選用氮氣缸?
氮氣缸應力圖
氮氣缸壓力計算方式
氮氣缸保固及使用安裝注意事項
產品安裝實例
產品檢驗報告 / 技術資料
採購招標
新聞
首 頁
氮氣缸沖壓配件
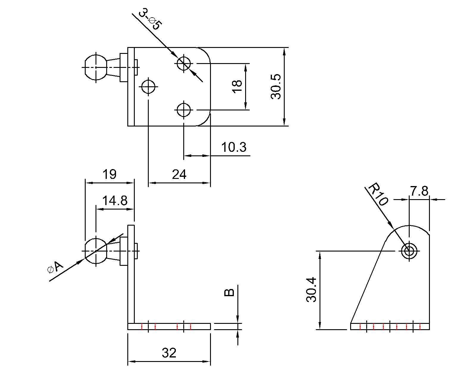
BKT-14-O(球徑10mm) (板厚2.5mm)
BKT-14-O(球徑10mm) (板厚2.5mm)
球型配件 / 球徑 : 10 mm
氮氣缸適用建議 F1: 800N 以內適用
適配接頭孔徑: 10 mm
加入詢價車
立即詢價
商品詳情
單位:mm
型號
球徑或插銷直徑
( ∅A )
板厚
( B )
球頭或插銷材質
板金材質
表面處理
產品淨重 (g)
BKT-14-O BLACK COATED
10
2.5
12L14
P-O
電著黑
BKTS-14-O SUS304
SUS303
SUS304
振動研磨
相關產品
More
BKT-01(球徑10mm) (板厚2mm)
More
BKT-02(球徑10mm) (板厚2mm)
More
BKT-03(球徑10mm) (板厚2mm)
More
BKT-04-I(球徑10mm) (板厚2.5mm)
More
BKT-04-O(球徑10mm) (板厚2.5mm)
More
BKT-05(球徑10mm) (板厚2mm)
More
BKT-06(球徑10mm) (板厚2mm)
More
BKT-06B(球徑10mm) (板厚2mm)
More
BKT-06C(球徑8mm) (板厚2mm)
More
BKT-06D(插梢4mm) (板厚2mm)
More
BKT-07(球徑10mm) (板厚2mm)
More
BKT-08(球徑10mm) (板厚2mm)
More
BKT-08B(球徑10mm) (板厚2mm)
More
BKT-08C(球徑8mm) (板厚2mm)
More
BKT-08D(插梢4mm) (板厚2mm)
More
BKT-09A(球徑10mm) (板厚2mm)
More
BKT-09C(球徑8mm) (板厚2mm)
More
BKT-09D(插梢4mm) (板厚2mm)
More
BKT-10-I(球徑10mm) (板厚2mm)
More
BKT-10-O(球徑10mm) (板厚2mm)
More
BKT-11(插梢 8mm) (板厚3mm)
More
BKT-11A(球徑10mm) (板厚3mm)
More
BKT-B11(插梢8mm) (板厚3mm)
More
BKT-12A(球徑10mm) (板厚3mm)
More
BKT-B12(插梢8mm) (板厚3mm)
More
BKT-12(插梢 8mm) (板厚3mm)
More
BKT-13(插梢8mm) (板厚2.5mm)
More
BKTS-16(插梢6mm) (板厚2mm)
More
BKTS-18(插梢6mm) (板厚2mm)
More
BKTS-19A(插梢6mm) (板厚2mm)
More
BKT-21-I(球徑10mm) (板厚2.5mm)
More
BKT-21-O(球徑10mm) (板厚2.5mm)
More
BKT-22(球徑10mm) (板厚2.5mm)
More
BKT-22-A(球徑10mm) (板厚2.5mm)
More
BKT-22-O(球徑10mm) (板厚2.5mm)
More
BKT-23(球徑10mm) (板厚2.5mm)
More
BKT-22-I(球徑10mm) (板厚2.5mm)
More
BKT-23-A(球徑10mm) (板厚2.5mm)
More
BKT-23-I(球徑10mm) (板厚2.5mm)
More
BKT-23-O(球徑10mm) (板厚2.5mm)
More
BKT-24-I(球徑10mm) (板厚3mm)
More
BKT-24-O(球徑10mm) (板厚3mm)
More
BKT-25-A(球徑10mm) (板厚3mm)
More
BKT-25-C(球徑10mm) (板厚3mm)
More
BKT-25-B(球徑10mm) (板厚3mm)
More
BKT-25-I(球徑10mm) (板厚3mm)
More
BKT-25-O(球徑10mm) (板厚3mm)
More
BKT-26-L(球徑10mm) (板厚3mm)
More
BKT-26-LA(球徑10mm) (板厚3mm)
More
BKT-26-R(球徑10mm) (板厚3mm)
More
BKT-26-RA(球徑10mm) (板厚3mm)
More
BKT-27-L(球徑10mm) (板厚2.5mm)
More
BKT-27-R(球徑10mm) (板厚2.5mm)
More
BKT-28-L(球徑10mm) (板厚2.5mm)
More
BKT-28-R(球徑10mm) (板厚2.5mm)
More
BKT-29(球徑10mm) (板厚2mm)
More
BKT-32(球徑10mm) (板厚2mm)
More
BKTS-32H(球徑10mm) (板厚2mm)
More
BKT-EF-BR33Z(球徑10mm)(板厚2mm)
More
BKTS-34(球徑10mm) (板厚2.5mm)
More
BKT-FDP(球徑10mm) (板厚2mm)